
東勝達所有產品,都需要加工定做
根據客戶的不同定做需要,價格會有所浮動
下單之前,務必聯系我們的客服
請您告知具體參數需求,方便我們報價和修改價格

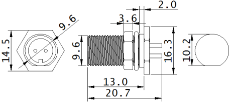
額定電壓(Voltage Rating): 250V
額定電流(Current Rating): 8A 6A 4A 3A
線材匹配(Wire Gague):<=1.0MM2 <=0.75MM2 <=0.5MM2 <=0.3MM2
線材外徑(Cable OD):3.5MM-7.0MM
耐插拔次數(Mechanical Life): 3000次
工作溫度(Operating Rating): -20C°-+80C°
防水等級(Waterproof Level): IP 67
五金排行(Pin Layout):